全国
登录
注册
搜索
登录
注册
导航
首页
(current)
商品分类
母婴
婴儿用品
宝宝奶粉
荐
辅食
荐
尿裤
荐
奶瓶奶嘴
荐
湿巾
荐
宝宝面霜
荐
婴儿抱被
荐
婴儿玩具
荐
纸尿裤
拉拉裤
隔尿垫
暖奶消毒
体温计
餐具
料理机
水杯
调奶器
围兜
洗发水
沐浴露
洗衣液
洗衣皂
理发器
驱蚊止痒
浴盆
毛巾
睡袋
枕头
袜子
内衣
连体衣
婴儿裤子
爬行垫
学步鞋
婴儿床
安全座椅
推车
学步车
餐椅
背带
孕妇用品
孕妇装
荐
月子服
哺乳文胸
防辐射
吸奶器
待产包
护肤
孕妇内裤
产后护理
防溢乳垫
孕期营养
孕妇裤
孕妇连衣裙
儿童
童装
羽绒服
荐
外套
荐
亲子装
纯棉套装
棉服
运动服
儿童马甲
T恤
裙子
裤子
演出服
纯棉内裤
打底裤
帽子
围巾
纯棉袜子
童鞋
运动鞋
荐
帆布鞋
女童公主鞋
板鞋
棉鞋
儿童雨鞋
卡通拖鞋
凉鞋
玩具
玩具
荐
积木
荐
公仔
荐
儿童自行车
玩具车
电动车
毛绒玩具
电动遥控
橡皮泥
芭比娃娃
模型玩具
拼图
学习
早教机
荐
儿童图书
荐
学习用品
励志图书
描红本
儿童读物
绘画DIY
钢笔
生活用品
儿童手表
保温杯
女装
裤子
休闲裤
哈伦裤
棉麻裤
牛仔裤
短裤
破洞牛仔裤
裤子
荐
阔腿裤
皮裤
外套
卫衣
荐
夹克
棉服
毛呢
牛仔
皮衣
短外套
羽绒服
西装
风衣
马甲
内搭
喇叭袖
荐
开衫
打底毛衣
毛衣
针织衫
高领
上装
T恤
荐
一字肩
印花雪纺
吊带T恤
娃娃衫
情侣T恤
白衬衣
短袖T恤
纯色T恤
蕾丝拼接
蕾丝衫
防晒衫
露肩上衣
长袖T恤
套装
两件套
荐
夏季套装
大码女装
妈妈装
婚纱
小香风
运动套装
雪纺套装
裙装
连衣裙
荐
雪纺裙
半身裙
印花裙
吊带裙
纯色裙
百货
布艺软饰
十字绣
墙贴
挂钟
荐
沙发罩
沙发垫
浴室垫
照片墙
盖巾
相框
缝纫机
花瓶
门垫
门帘
靠垫
香炉
生活用品
抽纸
洗衣液
沐浴露
洗发水
卫生巾
卷纸
厨房清洁
成人纸尿裤
洗手液
漱口水
牙膏
荐
清洁剂
牙刷
私处护理
足浴
足贴
家纺
乳胶枕
儿童床品
冬被
床四件套
枕头
毯子
磨毛四件套
荐
羽绒枕
羽绒被
蚕丝被
被子
记忆枕
家居
书架
儿童床
床垫
收纳
椅子
沙发
碗套装
荐
花架
鞋柜
高低床
双层床
子母床
美食
营养保健
酵素
DHA
月见草油
玛咖
益生菌
钙
鱼油
荐
B族维生素
大豆异黄酮
左旋
氨基葡萄糖
维生素
维生素C
胶原蛋白
葡萄籽
螺旋藻
褪黑素
软骨素
辅酶Q10
新鲜水果
橙子
苹果
橘子
樱桃
火龙果
猕猴桃
西瓜
荐
桃子
荐
杏子
荐
李子
荐
肉类
猪肉
牛肉
羊肉
鸡肉
鸡爪
荐
鱼肉
兔肉
食用油
花生油
调和油
菜籽油
玉米油
生鲜菜类
土鸡蛋
大米
大闸蟹
海鲜
燕窝
米饭
荐
鸡蛋
荐
饮品
茶饮
酒水
饮料
零食
干果
干货
月饼
速食
荐
零食
荐
美妆
美妆
BB霜
乳液
卸妆
唇膏
彩妆品盘
洁面仪
洗面奶
荐
爽肤水
男士护理
眼线
眼霜
睫毛膏
粉底液
精华
精油
纤体
脱毛
腮红
身体护理
防晒
隔离霜
面膜
面霜
香水
个人护理
头发造型
护发素
染发膏
沐浴露
洗发水
清洁剂
刷子
荐
私处护理
足浴
足贴
香薰
内衣
内衣
保暖背心
内衣套装
内裤女
内裤男
打底裤
文胸
塑身衣
荐
秋裤
袜子
女袜
棉袜
男袜
裤袜
长筒袜
睡衣
保暖睡衣
卡通睡衣
夹棉睡衣
女士睡衣
情侣睡衣
珊瑚绒
男士睡衣
睡袍
睡裙
短袖睡衣
长袖睡衣
配饰
围巾
披肩围巾
棉麻围巾
真丝围巾
羊毛围巾
羊绒围巾
配饰
半指手套
手套
真皮腰带
腰带
触屏手套
雨伞
帽子
套头帽
毛线帽
渔夫帽
爵士帽
盆帽
礼帽
贝雷帽
针织帽
鸭舌帽
棒球帽
男装
下装
七分裤
九分裤
休闲裤
哈伦裤
工装裤
沙滩裤
牛仔裤
荐
短裤
西裤
运动裤
外套
马甲
呢大衣
夹克
棉衣
牛仔外套
皮衣
荐
羽绒服
西装
风衣
内搭
长袖T恤
POLO衫
T恤
卫衣
短袖T恤
衬衣
针织衫
套头
开衫
毛衣
羊毛衫
针织衫
高领
鞋品
女鞋
中跟鞋
乐福鞋
低跟鞋
妈妈鞋
小白鞋
帆布鞋
平底凉鞋
荐
平底鞋
松糕厚底
猫跟鞋
玛丽珍鞋
豆豆鞋
运动鞋
高跟鞋
增高鞋
男鞋
乐福鞋
休闲鞋
凉鞋
增高鞋
帆布鞋
板鞋
荐
网布鞋
豆豆鞋
运动鞋
家电
生活电器
加湿器
取暖器
吸尘器
扫地机器人
榨汁机
烤箱
电热毯
荐
电饭锅
空气净化器
豆浆机
足浴
个护健康
剃须刀
卷发
吹风机
按摩器
美容仪
箱包
双肩包
防水双肩包
功能箱包
手拿包
手提包
旅行箱
腰包
迷你包
钱包
链条包
荐
零钱包
单肩包
妈妈包
宽肩带包
小方包
斜挎包
水桶包
波士顿包
贝壳包
荐
宠物
宠物用品
狗粮
猫粮
宠物美容
宠物服装
宠物清洁
护理保健
食具食品
荐
玩具
宠物
鸟
兔
豚鼠
飞鼠
仓鼠
香猪
龟
荐
数码
数码设备
无人机
电脑主机
音箱
手机
平板
翻译机
智能音箱
配件
保护壳
耳机
苹果配件
鼠标键盘
电脑周边
汽车
汽车用品
车载电器
记录仪
安全座椅
保养美容
外饰改装
机油
汽车保养
汽车美容
荐
汽车装饰
坐垫
运动
运动用品
运动裤
运动套装
运动鞋
户外装备
户外用品
好券直播
综合
女装
家居家装
数码家电
鞋包配饰
美妆个护
男装
内衣
母婴
食品
运动户外
大额卷
综合
女装
家居家装
数码家电
鞋包配饰
美妆个护
男装
内衣
母婴
食品
运动户外
高佣榜
综合
女装
家居家装
数码家电
鞋包配饰
美妆个护
男装
内衣
母婴
食品
运动户外
品牌卷
综合
女装
家居家装
数码家电
鞋包配饰
美妆个护
男装
内衣
母婴
食品
运动户外
母婴专区
备孕期
0-6个月
7-12个月
1-3岁
4-6岁
7-12岁
有好货
潮流范
特惠专场
9.9包邮
商品导购
搜索结果
德济 喉舒宁片0.3g*48片清热解毒散结止痛急慢性咽炎急性扁桃体炎
市场价:
5.7
销量:
3
优惠价:
¥3.7
R&S CMW100手机综合测试仪 5G/4G0/3G 综合测试仪 通信测试仪
市场价:
21620
销量:
0
优惠价:
¥10780
六妙白茶会正宗福鼎白茶2022年白牡丹茶叶炭焙系列袋泡装3g*10泡
市场价:
50
销量:
2
优惠价:
¥32.5
安立MG3700A信号发生器3G
市场价:
42500
销量:
0
优惠价:
¥21230
挖掘机配件日立120 200 240 300 330 360-3G-6液压泵油管高压油管
市场价:
35
销量:
43
优惠价:
¥35
富士按钮 AR22FOL带灯按钮AR22FOL-11E3G自复位LED 红黄蓝绿白橙
市场价:
182
销量:
0
优惠价:
¥91
三菱原装FX3G/FX5U配件 14/24/40/60电源板/CPU板/端子防尘盖条
市场价:
12
销量:
81
优惠价:
¥12
GSM/NB-IoT/2G/3G/433M/2.4G/5.8G小辣椒胶棒天线GPRS全向高增益
市场价:
1.9
销量:
100+
优惠价:
¥1.9
生产电动采光排烟天窗C3G固定采光天窗成品通风气楼电动排烟天窗
市场价:
1640
销量:
0
优惠价:
¥820
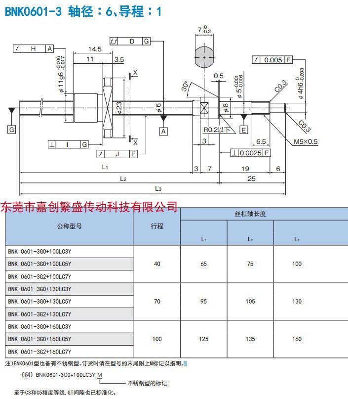
THK滚珠丝杆BNK0601-3G0+100LC3YBNK0601-3G0+130LC5Y
市场价:
3620
销量:
0
优惠价:
¥1810
蜀佳牌破壁灵芝孢子粉 3g*30袋
市场价:
139
销量:
35
优惠价:
¥139
广药白云山汉方破壁灵芝孢子粉胶囊0.3g*60粒/盒旗舰店官方正品
市场价:
298
销量:
2
优惠价:
¥149
海王金樽片牡蛎护辅助肝片保护化学性肝损伤3g*6袋装酒前后常备
市场价:
29.9
销量:
83
优惠价:
¥29.9
上海现货日本原装日清酵母粉高活性发酵粉馒头面包干酵母3g*10袋
市场价:
48
销量:
96
优惠价:
¥48
信药师 明目地黄丸 (3g/8丸)*720丸(浓缩丸)
市场价:
17.01
销量:
17
优惠价:
¥17.01
李道医 固本延龄丸 4.3g*6瓶/盒
市场价:
158
销量:
100
优惠价:
¥158
包邮】道君 六味地黄胶囊0.3g*60粒滋阴补肾肾阴亏损腰膝酸软遗精
市场价:
13
销量:
100+
优惠价:
¥13
敖东 六味地黄胶囊 0.3g*60粒/盒
市场价:
15
销量:
33
优惠价:
¥15
芬必得布洛芬缓释胶囊0.3g*24粒感冒发热牙痛头痛痛经肌肉神经痛
市场价:
24.9
销量:
100+
优惠价:
¥24.9
葵花康宝 小儿氨酚黄那敏颗粒 3g*15袋/盒
市场价:
7.5
销量:
11
优惠价:
¥7.5
纯色系列 款式搭配 彩绘色块 法式UV不可卸光疗胶3g #51~#90
市场价:
24
销量:
94
优惠价:
¥24
【顺手买一件】摇滚动物园 芭乐净油双舱涂抹面膜(7g+3g)*4颗
市场价:
39.9
销量:
39
优惠价:
¥39.9
专柜小样 韩国Laneige兰芝夜间保湿修护唇膜3g 睡眠唇膏淡化唇纹
市场价:
15
销量:
64
优惠价:
¥15
广东移动流量充值10G全国3G/4G/5G通用流量 7天有效JS 无法提速
市场价:
5.8
销量:
9
优惠价:
¥5.8
‹‹
1
2
...
589
590
591
592
593
...
720
721
››
免责声明:本网站部分内容由用户自行上传,如权利人发现存在误传其作品情形,请及时与本站联系。
Copyright © 2026 http://www.dazhehui.cn All Rights Reserved
粤ICP备16126582号-3